3D teknik tasarım, dijital ortamda üç boyutlu (3D) nesnelerin ve ürünlerin modellenmesi, tasarlanması ve üretim süreçlerinin optimize edilmesine olanak tanıyan yenilikçi bir teknolojidir. Gelişen dijitalleşme ve mühendislik teknikleriyle birlikte, endüstrinin her alanında devrim yaratan bu teknoloji, özellikle ürün geliştirme, prototip oluşturma, mimarlık, otomotiv ve endüstriyel tasarım gibi alanlarda büyük bir rol oynamaktadır. Bu sürecin temelinde, geleneksel teknik resim görünüşleri ve görünüş çıkarma prensipleri yatar.

Üç boyutlu teknik tasarım, görsel iletişim, tasarım ve üretim alanlarında sınırları genişleterek, dijital dünyanın temel yapı taşlarından biri haline gelmiştir. Bu blog yazısında, teknik resimde görünüş çıkarma örnekleri ile 3D teknik tasarımın ne olduğunu, nasıl yapıldığını, avantajlarını ve gelecekteki rolünü detaylıca inceleyeceğiz. Ayrıca, teknik resim örnekleri, teknik resim görünüş çeşitleri ve teknik resim kitabı PDF gibi kaynaklara da değineceğiz.

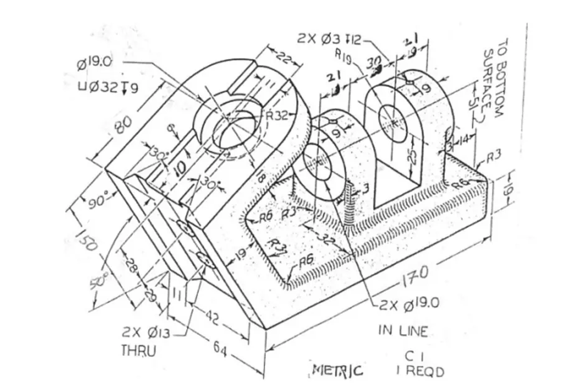
Teknik Resim Görünüş Çıkarma ve 3D Teknik Tasarımın Kapsamlı Rehberi

3D Teknik Tasarım Nedir?

3D teknik tasarım, bilgisayar destekli tasarım (CAD – Computer-Aided Design) yazılımları aracılığıyla yapılan üç boyutlu modellerin oluşturulması sürecidir. Bu süreçte, tasarımcılar ve mühendisler dijital araçlarla nesneleri gerçek dünyadaki ölçü ve boyutlarına uygun şekilde modelleyebilir. CAD yazılımları, karmaşık ürün tasarımlarını detaylı bir şekilde oluşturmaya, simülasyon yapmaya ve bu tasarımları üretime uygun hale getirmeye olanak tanır. Geleneksel teknik resim örneklerinin dijital dünyaya aktarılmış, daha işlevsel ve interaktif halidir. Bu sayede, ürünlerin farklı teknik resim görünüşleri dijital ortamda kolayca oluşturulabilir.

3D Tasarım Süreci ve Teknik Resim İlkeleri: Adım Adım

Kavram Geliştirme

3D tasarım süreci, bir ürün veya yapı için konsept oluşturmayla başlar. Bu aşamada, müşteri gereksinimleri, estetik ve işlevsel özellikler dikkate alınarak temel tasarım fikirleri geliştirilir.

Modelleme ve Görünüş Çıkarma

CAD yazılımları kullanılarak, nesnelerin üç boyutlu modelleri oluşturulur. Bu aşama, iki boyutlu tasarımların ve teknik resimlerin 3D dijital modellere dönüştürülmesini içerir. Tasarımcılar, nesnenin geometrik yapısını oluşturarak, boyutlar ve malzeme özelliklerini tanımlar. Bu süreçte, ürünün farklı açılardan teknik resim görünüşleri elde edilir ve detaylı görünüş çıkarma işlemleri yapılır. Gerekirse, iç detayları göstermek için kesit alma teknikleri de uygulanır.

Simülasyon ve Analiz

3D modeller, tasarımın mühendislik açısından dayanıklılığını ve performansını test etmek için simülasyonlara tabi tutulur. Özellikle otomotiv, havacılık ve endüstriyel tasarımda kullanılan bu adım, ürünün fiziksel dünyada nasıl çalışacağını tahmin etmeye yardımcı olur.

Prototip Üretimi

Modelleme ve simülasyon aşamalarından sonra, genellikle 3D baskı veya CNC makineleri kullanılarak tasarımın fiziksel bir prototipi üretilir. Bu aşama, tasarımın gerçek dünyada nasıl bir form alacağını ve işlevselliğini test etme fırsatı sunar.

Son Üretim

Ürünün son hali, tüm analizler ve iyileştirmeler sonucunda belirlenir. 3D teknik tasarımın sağladığı yüksek hassasiyet sayesinde, son üretim aşaması daha hızlı ve verimli hale gelir.

3D Teknik Tasarımın Avantajları

3D teknik tasarım, geleneksel iki boyutlu tasarım süreçlerine göre pek çok avantaj sağlar. İşte bunlardan bazıları:

  • Yüksek Hassasiyet ve Detaylı Modelleme: 3D tasarım araçları, karmaşık geometrileri ve detayları hatasız bir şekilde modellemeye olanak tanır. Bu da özellikle hassas mühendislik projeleri ve ürün tasarımlarında büyük bir avantaj sağlar. Geleneksel teknik resim örneklerine göre çok daha detaylı ve hatasız modeller oluşturulabilir.
  • Hızlı Prototip Oluşturma: 3D baskı ve hızlı prototipleme teknolojileri ile dijital modeller fiziksel nesnelere hızla dönüştürülebilir. Bu da ürün geliştirme sürecini hızlandırır ve tasarımın üretim öncesi aşamalarında test edilmesine olanak tanır.
  • Simülasyon ve Test Olanakları: 3D modeller üzerinde yapılan simülasyonlar, fiziksel bir prototip oluşturulmadan önce ürünün nasıl performans göstereceğini değerlendirme imkânı sunar. Bu, zamandan ve maliyetten tasarruf sağlar, ayrıca ürünün iyileştirilmesi için önemli geri bildirimler sunar.
  • Maliyet Tasarrufu: Geleneksel üretim yöntemleriyle kıyaslandığında, 3D teknik tasarım süreçleri, hem daha az malzeme israfı sağlar hem de tasarım hatalarının erken tespit edilmesiyle gereksiz maliyetleri önler.
  • Esneklik: 3D teknik tasarım süreçleri, tasarımda hızlı değişiklikler yapmaya ve bu değişiklikleri anında görselleştirmeye olanak tanır. Bu esneklik, tasarımcıların ve mühendislerin yaratıcı süreçlerini optimize eder ve müşteri geri bildirimlerine hızlı yanıt vermelerini sağlar.

Hangi Sektörlerde Kullanılır?

3D teknik tasarım, birçok farklı endüstride yaygın olarak kullanılır. İşte bu teknolojinin en yaygın kullanıldığı sektörlerden bazıları:

  • Otomotiv: Araç parçalarının ve bileşenlerinin tasarımı ve prototiplenmesi için 3D teknik tasarım kritik bir rol oynar. Mühendisler, aerodinamik yapılar ve dayanıklılık testleri için bu teknolojiden faydalanır.
  • Mimarlık ve İnşaat: Binaların ve büyük yapıların dijital olarak modellenmesi, hem inşaat sürecinin daha verimli olmasını sağlar hem de estetik ve işlevsel tasarım süreçlerini optimize eder.
  • Tıp: Özellikle ortopedik implantlar, protezler ve medikal cihazların kişiye özel tasarımında 3D teknik tasarım büyük önem taşır. Bireylerin vücut yapısına uygun medikal çözümler, bu teknolojiler sayesinde daha hızlı ve doğru bir şekilde üretilebilir.
  • Endüstriyel Tasarım: Makine parçaları, elektronik cihazlar ve diğer endüstriyel ürünlerin tasarımında, 3D teknik tasarım süreçleri hem işlevsellik hem de estetik açısından kritik öneme sahiptir.

3D Teknik Tasarımın Geleceği

3D teknik tasarım teknolojisi, sürekli olarak gelişmekte ve yeniliklerle birlikte daha geniş alanlara yayılmaktadır. Yapay zeka ve makine öğrenimi ile entegre edilen 3D tasarım süreçleri, daha otonom ve verimli tasarım modelleri sunarken, malzeme bilimi ve yeni üretim teknikleri ile birlikte daha sürdürülebilir çözümler geliştirilmesi mümkün hale gelmektedir.

Özellikle, kişiselleştirilmiş ürün tasarımı ve üretim süreçlerinde bu teknolojinin önemi artmaya devam edecektir. Kapsamlı veri analizleri ve kullanıcı taleplerine yönelik esnek tasarım süreçleri ile birlikte, 3D teknik tasarım, geleceğin en önemli mühendislik ve tasarım araçlarından biri olmaya devam edecek. Bu alanda kendini geliştirmek isteyenler için teknik resim kitabı PDF formatında kaynaklar ve teknik resimde görünüş çıkarma örnekleri, temel bilgi birikimi için vazgeçilmez olacaktır.

Sonuç: Geleceğin Mühendislik ve Üretim Süreci

3D teknik tasarım, hem mühendislik hem de yaratıcı sektörlerde büyük bir potansiyele sahip, yenilikçi bir teknolojidir. Yüksek doğruluk, hızlı prototipleme ve maliyet tasarrufu gibi avantajlarıyla geleneksel tasarım süreçlerinin yerini almakta ve daha sürdürülebilir, esnek üretim süreçlerine olanak tanımaktadır. Sektörlerin gelişen ihtiyaçlarına göre evrilen bu teknoloji, geleceğin ürün geliştirme süreçlerinde kilit bir rol oynamaya devam edecek. Teknik resim görünüş çıkarma becerisi, bu dijital dönüşümde hala temel bir yetkinlik olarak önemini korumaktadır.