The Warp: Geri Dönüştürülmüş Ahşaptan 3D Baskılı Japon Çay Evi ve Sürdürülebilir Mimari
Dubai Tasarım Haftası’nın son baskısında, Japon mimarlık stüdyosu Mitsubishi Jisho Design, çay odası olarak hizmet veren bir yapı olan The Warp‘ı tanıttı.
Sektördeki en son gelişmeler, teknik makaleler ve ipuçları ile bilginizi güncel tutun.
Dubai Tasarım Haftası’nın son baskısında, Japon mimarlık stüdyosu Mitsubishi Jisho Design, çay odası olarak hizmet veren bir yapı olan The Warp‘ı tanıttı.
Otomobil parçalarında, tıbbi implantlarda, ayakkabılarda veya sırt çantalarında kafes veya petek desenli giderek daha fazla 3D baskılı parça görüyoruz.
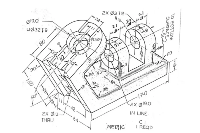
3D modelleme, bilgisayar yardımıyla bir nesnenin 3d bir temsilini yaratma sürecidir. Tasarımcılar, bir nesnenin genişlik, yükseklik ve derinlik gibi boyutlarını sanal olarak oluştururlar.
3D teknik tasarım, dijital ortamda üç boyutlu (3D) nesnelerin ve ürünlerin modellenmesi, tasarlanması ve üretim süreçlerinin optimize edilmesine olanak tanıyan yenilikçi bir teknolojidir.
3D baskı teknolojisi, endüstriden sanata kadar pek çok alanda devrim yaratan bir yenilik olarak hayatımızda yerini aldı. Ancak, bu teknolojinin de çevresel etkilerini düşünmemiz gerekiyor
3D yazıcılar, geleneksel öğrenme yöntemlerinin ötesine geçerek eğitimi somut, etkileşimli ve yenilikçi bir deneyime dönüştürür.
3D baskı ve mühendislik projeleriniz için uzman ekibimizle iletişime geçin.
İletişime Geç